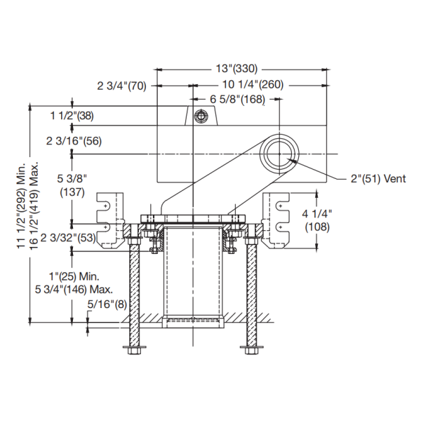
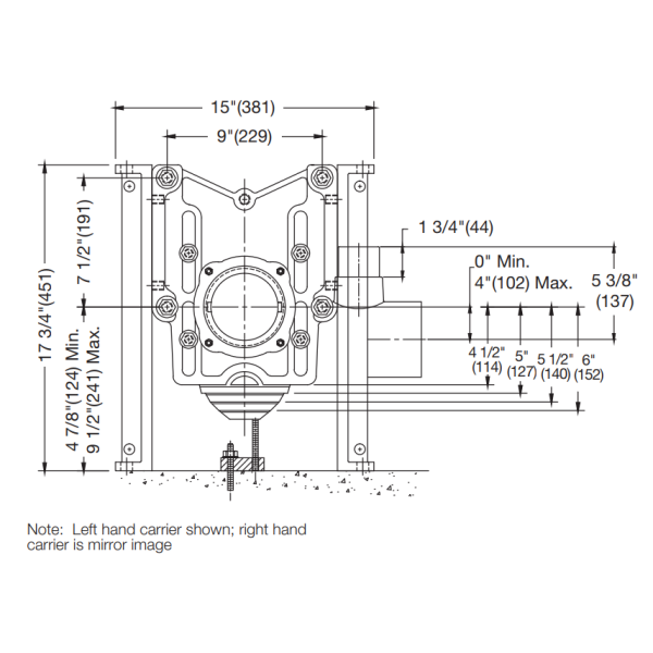
Description

WATTS ISCA-101-L/R Industry Standard Single Horizontal 500 Lb. Rated Adjustable Water Closet Carrier for Wall Hung Toilet Bowls.
Product Features:
- Reversible uprights embossed with incremental height markings
- For wall hung bowls in horizontal batteries
- ASME A112.6.1M 500 lb. load rating
- Compression seal nipple does not require sealants, positively holds test
Product Specification:
Watts ISCA-101-L/R Industry Standard single horizontal adjustable water closet carrier with epoxy coated cast iron fitting, 4"(102) no hub waste and 2"(51) no hub vent connections, epoxy coated cast iron patented compression seal faceplate assembly, and epoxy coated cast iron foot supports with incremental height markings. Adjustable for standard and wheelchair height, adjustable ABS nipple with integral test cap and neoprene bowl gasket, plated hardware and chrome cap nuts. Carrier complies with requirements of ASME A112.6.1M up to a 500 lb. (227 kg.) static load.
Technical Notes:
- Fits all major manufacturer wall hung water closets.
- Anchor legs to concrete floor with minimum 1/2"(13) anchor bolts (by others).
- Dual slotted carrier feet require one 1/2"(13) anchor bolt per foot.
- The information contained herein [specification sheet] is not intended to replace the full product installation and safety information available or the experience of a trained product installer. You are required to thoroughly read all installation instructions and product safety information before beginning the installation of this product.
Technical Downloads:
- WATTS ISCA-101-L/R: SPECIFICATION SUBMITTAL
- WATTS ISCA-101-L/R: INSTALLATION INSTRUCTIONS
Estimate shipping
Payment & Security
Your payment information is processed securely. We do not store credit card details nor have access to your credit card information.





